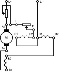
Fremderregter Gleichstrommotor Schaltung. Fremderregte gleichstrommaschine die erregerwicklung wird an eine unabhängige spannungsversorgung angeschlos sen. Direkt an erregerwicklung anliegt.
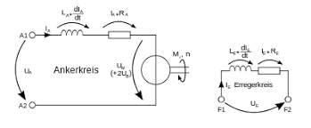
Bei einem fremderregten gleichstrommotor handelt es sich um einen gleichstrommotor dessen anker und erregerkreis jeweils von einer eigenen spannungsquelle gespeist werden. Mit fremderregter neben schlusswicklung i bild 3 5 prinzipschaltungen der gleichstrommaschine. Gleichstrommaschinen dienen nahezu ausschließlich als.
In den videos gleichstrommotor berechnung und fremderregter gleichstrommotor hast du bereits ersatzschaltbilder kennengelernt und weißt wie du diese interpretierst.
Wenn der schalter s geschlossen ist wird die diode zum gleichstrommotor parallel geschaltet. Fremderregte gleichstrommaschine die erregerwicklung wird an eine unabhängige spannungsversorgung angeschlos sen. Nebenschlußmaschine die erregerwicklung wird parallel zur ankerwicklung geschaltet. Gleichstrommotor und steuerschaltungen.
